Перейти к:
Имитационное моделирование в задачах реорганизации и анализа дорожного движения
https://doi.org/0009-0007-1313-8913
Аннотация
В статье рассматривается методика разработки и оптимизации режима работы свето-форного объекта с учетом изменений в организации дорожного движения на примере перекрестка города Сургута. Целью исследования является анализ альтернативных вариантов организации дорожного движения на одном из регулируемых перекрестков города Сургута. Проведен анализ причин, влияющих на снижение пропускной способности, рассмотрены несколько вариантов схем пофазного разъезда транспорта на перекрестке с учетом пешеходных маршрутов. Исследование выполнено с применением имитационного моделирования. При настраивании светофорного движения на перекрестке учитывались методические рекомендации по разработке и реализации мероприятий по организации дорожного движения Министерства транспорта Российской Федерации. Оценка точности модели проведена на основании критерия Хейверса. Для анализа альтернативных вариантов реорганизации дорожного движения проведена мультипликативная свертка векторного показателя в скалярный. Результаты исследования могут применяться для решения задач анализа и оптимизации светофорного регулирования, а также в образовательных целях при освоении программ бакалавриата или магистратуры.
Ключевые слова
Для цитирования:
Запевалова Л.Ю., Валуев С.И., Запевалов А.В. Имитационное моделирование в задачах реорганизации и анализа дорожного движения. Вестник кибернетики. 2025;24(3):34-43. https://doi.org/0009-0007-1313-8913
For citation:
Zapevalova L.Yu., Valuev S.I., Zapevalov A.V. Simulation modeling in traffic reorganization and analysis. Proceedings in Cybernetics. 2025;24(3):34-43. (In Russ.) https://doi.org/0009-0007-1313-8913
ВВЕДЕНИЕ
В современных условиях интенсивного развития транспортной инфраструктуры особую актуальность приобретает проблема организации бесконфликтного взаимодействия участников транспортного движения, обеспечивающая высокую пропускную способность транспорта и пешеходов. Изменение организации дорожного движения требует тщательного анализа текущей ситуации. На основании анализа могут быть предложены менее затратные варианты решения проблемы, например такие, как изменение схемы движения (разрешение поворотов, введение одностороннего движения, корректировки режимов работы светофоров и т. п.), или более затратные, такие как организация локального уширения, изменение конфигурации транспортного узла.
Опишем вариант оптимизации работы светофорного объекта для обеспечения безопасности и эффективности транспортных и пешеходных потоков на одном из перекрестков города Сургута.
Светофорный объект относится к стохастическим системам, исследование которых целесообразно проводить на основе имитационного моделирования. При этом именно имитационная модель на уровне мезо- и микромоделирования позволяет получить результат с высокой точностью [1].
На сегодняшний день существует множество подходов к созданию математических моделей транспортных потоков [2]. При этом значительную роль играет имитационное моделирование. В зависимости от уровня детализации представления исследуемой системы могут применяться процессный подход, агентный или системная динамика [3][4]. В качестве инструментария использована система имитационного моделирования PTV Vissim, позволяющая создавать модели на микроуровне, представляя каждый элемент системы регулируемого дорожного движения на перекрестке [5].
МАТЕРИАЛЫ И МЕТОДЫ
В качестве объекта исследования выбран один из наиболее загруженных транспортными потоками перекресток г. Сургута. Исходными данными для исследования является планировочная схема проезжей части перекрестка, текущая организация дорожного движения на нем, текущий режим работы светофорного объекта, интенсивность движения транспорта с учетом его разновидностей (легковой, грузовой транспорт и общественный) и пешеходов.
В ходе исследования были использованы следующие методы:
– построение детальной геометрической модели перекрестка;
– настройка параметров транспортных потоков;
– оценка точности модели;
– моделирование различных сценариев организации движения;
– анализ показателей эффективности работы светофорного объекта.
Исходные данные. Пиковая суточная активность движения на перекрестке появляется в утреннее время с 7:00 до 8:00, дневное с 13:00 до 14:00 и вечернее с 17:00 до 18:00. Картина движения в отмеченные периоды отличается несущественно. Для обобщенной оценки эффективности режимов регулирования движения выбрано моделирование ситуации в вечернее время в интервале с 17:00 до 18:00. На рис. 1 отображена интенсивность движения транспортные средства по полосам, где три последовательных численных значения отображают:
– легковые транспортные средства;
– грузовые транспортные средства;
– автобусы.

Рис. 1. Интенсивность движения транспорта на перекрестке
Примечание: составлено авторами на основании замеров.
На схеме отражено, что движение транспорта снизу вверх по улице 30 лет Победы с поворотом налево запрещено. Интенсивность пешеходного движения представлена на рис. 2.

Рис. 2. Интенсивность движения пешеходов по перекрестку
Примечание: составлено авторами на основании замеров.
Параметры регулирования включают в себя режимы светофорного регулирования (число фаз, порядок их чередования, длительности цикла, основных и промежуточных тактов).
Режим работы светофорного объекта состоит из:
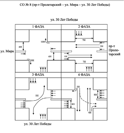
– схемы пофазного разъезда (рис. 3), где 1 Н-10 Н – направления движения;
– параметров светофорного регулирования (табл. 1);
– временной диаграммы светофорного цикла (рис. 4).

Рис. 3. Схема пофазного разъезда действующего режима
Примечание: составлено авторами.
Таблица 1
Параметры светофорного регулирования действующего режима
Фаза | Тпром, сек. | Тосн, сек. |
1 | 21 | 15 |
2 | 8 | 33 |
3 | 8 | 23 |
4 | 10 | 33 |
Тцикла = 151 сек. |
|
|
Примечание: составлено авторами.

Рис. 4. Временная диаграмма светофорного цикла действующего режима
Примечание: составлено авторами.
Особенностью существующей схемы организации разъезда является отсутствие поворота налево при движении по улице 30 лет Победы на север-запад (снизу вверх налево, рис. 1). Это обстоятельство приводит к возникновению заторов при выезде с перекрестка, поскольку водители прокладывают маршрут по следующему, по ходу движения, перекрестку.
Параметры светофорного регулирования состоят из общего времени цикла (Тцикла), который делится на промежуточный такт (Тпром) для обеспечения безопасного завершения проезда перекрестка участниками дорожного движения, и основной такт (Тосн) для обеспечения движения определенного направления.
Задача – предложить оптимальную схему организации движения и схему пофазного разъезда для перекрестка (с указанием времени фаз и промежуточных тактов), которые позволят не допустить образования заторов на перекрестке, обеспечить безопасность движения транспортного и пешеходного потока.
Исследование проводилось на имитационной модели.
Создание модели дорожного движения на перекрестке включает в себя несколько этапов:
– отрисовка дорожной сети,
– ввод в модель количественных данных,
– расстановка правил проезда,
– ввод светофорного регулирования,
– ввод в модель маршрутов общественного транспорта,
– создание пешеходных маршрутов,
– отрисовка разметки,
– настройка манеры езды при смене полосы движения,
– реакции после конца красного сигнала,
– добавление статических 3D-объектов,
– создание объектов для анализа модели.
В качестве объектов для анализа выбраны следующие параметры:
– количество транспортных средств, проехавших через перекресток,
– средняя величина затора,
– максимальная величина затора.
На основании данных о текущем функционировании составлена модель с действующим режимом (рис. 5).

Рис. 5. Имитационный прогон модели с действующим режимом
Примечание: составлено авторами.
Для оценки точности модели используется GEH-статистика (1) [1]. GEH-статистика (критерий Хейверса) используется в проектировании дорожного движения, прогнозировании трафика и моделировании дорожного движения для сравнения двух наборов объемов трафика.
, (1)
где: V – смоделированные значения, C – замеренные значения.
Для принятия решения о приемлемой точности модели полученное значение критерия Хейверса должно быть меньше граничного, равного 5. После калибровки модели получили GEN = 4,76, что говорит о приемлемой точности модели.
Разработка новых сценариев. На основе анализа существующих проблемных ситуаций введены следующие изменения.
– Предложены четыре альтернативных варианта схем пофазного разъезда на перекрестке (рис. 6–9).
– Для каждого варианта разработаны три режима работы светофорной сигнализации (параметры светофорного регулирования и временной диаграммы).

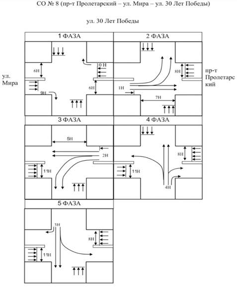
Рис. 6. Первый вариант схемы пофазного разъезда
Примечание: составлено авторами.

Рис. 7. Второй вариант схемы пофазного разъезда
Примечание: составлено авторами.

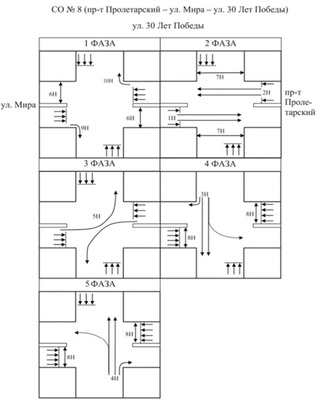
Рис. 8. Третий вариант схемы пофазного разъезда
Примечание: составлено авторами.

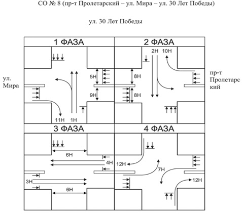
Рис. 9. Четвертый вариант схемы пофазного разъезда
Примечание: составлено авторами.
Все предложенные варианты схем пофазного проезда решают вопрос организации поворота налево при движении по улице 30 лет Победы на север-запад (снизу вверх налево, рис. 1). Сравнительный анализ схем пофазного проезда представлен в табл. 2.
Таблица 2
Сравнительный анализ схем пофазного проезда
Критерий | Действующая схема | 1 вариант | 2 вариант | 3 вариант | 4 вариант |
Количество фаз | 4 | 5 | 5 | 4 | 4 |
Соблюдение принципа неувеличения количества фаз в цикле регулирования |
| - | - | + | + |
Соблюдение принципа поэтапного перехода улицы пешеходами в течение двух следующих друг за другом фаз | - | + | + | - | + |
Отдельная полоса для поворота направо/налево в отдельной фазе | + | - | + | + | + |
Примечание: составлено авторами.
Во втором, третьем и четвертом вариантах используется выделенная полоса для движения направо или налево в отдельной фазе. При таком подходе возникают условия перегруженности крайних полос движения. Кроме того, складываются предпосылки провоцирования участниками движения конфликтных ситуаций при попытке поздних перестроений перед перекрестком и нарушение рядности движения. В соответствии с этими факторами принято решение о создании расчета режима работы светофорной сигнализации первого варианта.
Для выбранного варианта № 1 проводились дополнительные исследования влияния длительности фаз на пропускную способность перекрестка. Рассмотрено три режима регулировки. В первом режиме светофорного регулирования сохранена продолжительность общего времени цикла 151 секунда (табл. 3, рис. 10) по аналогии с действующим, а в двух других – 140 (табл. 4, рис. 11) и 145 (табл. 5, рис. 12) соответственно.
Таблица 3
Параметры светофорного регулирования первого варианта
Фаза | Тпром | Тосн |
1 | 9 | 16 |
2 | 8 | 24 |
3 | 10 | 24 |
4 | 10 | 20 |
5 | 10 | 20 |
Тцикла = 151 с |
|
|
Примечание: составлено авторами.

Рис. 10. Временная диаграмма светофорного цикла первого варианта
Примечание: составлено авторами.
Таблица 4
Параметры светофорного регулирования второго варианта
Фаза | Тпром | Тосн |
1 | 8 | 16 |
2 | 8 | 20 |
3 | 8 | 24 |
4 | 8 | 20 |
5 | 8 | 20 |
Тцикла = 140 с |
|
|
Примечание: составлено авторами.

Рис. 11. Временная диаграмма светофорного цикла второго варианта
Примечание: составлено авторами.
Таблица 5
Параметры светофорного регулирования третьего варианта
Фаза | Тпром | Тосн |
1 | 8 | 16 |
2 | 8 | 23 |
3 | 8 | 24 |
4 | 8 | 22 |
5 | 8 | 20 |
Тцикла = 145 с |
|
|
Примечание: составлено авторами.

Рис. 12. Временная диаграмма светофорного цикла третьего варианта
Примечание: составлено авторами.
Временные параметры основного цикла выбраны исходя из минимального времени активности пешеходной фазы, рассчитанной по формуле (2) согласно п. 5.4.1.3 ГОСТа Р 70716-2023 [6]:
, (2)
где:
T – минимальное время пешеходной фазы (с);
D – расстояние перехода по длинной стороне перехода (м);
1,3 – расчетная скорость движения пешехода (м/с);
5 – запас времени для маломобильных групп населения (с).
Время промежуточного такта составлялось на основе параметров промежуточных тактов действующего режима.
В третьем варианте было использовано среднее значение между минимальным и исследуемым вариантами и увеличение времени в пользу первого и четвертого направлений ввиду их наибольшей нагрузки.
РЕЗУЛЬТАТЫ И ИХ ОБСУЖДЕНИЕ
Для моделирования новых проектных решений необходимо внести изменения в реализованную модель.
Согласно разработанной схеме требуется:
– добавить поворот налево на пр. Мира с ул. 30 лет Победы при движении со стороны ул. Маяковского;
– внести изменение в светофорное регулирование согласно разработанного режима работы светофорной сигнализации.
После внесения изменений в реализованную модель было проведено 30 прогонов измененной модели.
В связи с тем что основной проблемой было отсутствие поворота налево при движении по улице 30 лет Победы в направлении на север-восток, то в качестве альтернативы действующего режима было предложено четыре варианта схем пофазного разъезда и три варианта светофорного регулирования по ним. Эксперименты на модели были проведены для каждой схемы разъезда на перекрестке при разных вариантах светофорного регулирования. Таким образом, исследовалось 12 стратегий.
Для оценки эффективности каждой стратегии использовали следующие показатели эффективности: средняя и максимальная длина затора, количество транспортных средств, прошедших перекресток. Оценивались критерии как для каждого направления движения через перекресток, так и в целом по перекрестку. Параметры пешеходного потока не оценивались, так как было достаточно обеспечить его безопасность.
Для проведения сравнительной оценки сценариев между собой применялась свертка векторного показателя эффективности в скалярный по методу мультипликативному методу по формуле (3) [7][8]:
. (3)
В числителе находится произведение тех критериев, значение которых следует максимизировать. В нашем случае это один показатель – количество транспортных средств, прошедших перекресток. В знаменателе находятся произведение тех критериев, значение которых надо минимизировать. В данном случае это средняя и максимальная длина затора. В результате получаем новый обобщенный критерий, требующий максимизации.
Средние значения по перекрестку сведены в табл. 6.
Таблица 6
Оценка эффективности организации движения на перекрестке
Режимы работы светофора | Количество транспортных средств, прошедших перекресток | Средняя длина затора | Максимальная длина затора | Обобщенный показатель эффективности (3) |
Действующий режим | 515 | 77,67 | 154,19 | 2,22 |
1-й вариант режима | 450 | 92,3 | 195,4 | 1,56 |
2-й вариант режима | 475 | 83,04 | 177,39 | 1,82 |
3-й вариант режима | 486 | 85,12 | 179,68 | 1,84 |
Примечание: составлено авторами.
ЗАКЛЮЧЕНИЕ
В ходе имитационного моделирования исследовалось предположение, что изменение схемы пофазного разъезда транспорта на перекрестке вводом дополнительного направления движения транспорта улучшит качество движения на перекрестке. Для этого составлены и проанализированы схемы пофазного проезда, параметры светофорного регулирования.
Анализ показал, что действующий режим работы светофорного объекта превосходит по всем показателям разработанные режимы, следовательно, их внедрение не целесообразно.
Материалы проведенного исследования могут применяться в образовательных целях для формирования профессиональных компетенций у обучающихся.
Список литературы
1. Методические указания по разработке и реализации мероприятий по организации дорожного движения. Использование программных продуктов математического регулирования транспортных потоков при оценке эффективности проектных решений в сфере организации дорожного движения. (согласовано Минтрансом России 13 июля 2017). URL: https://base.garant.ru/71802758/ (дата обращения: 20.04.2025).
2. Погребняк М. А. Моделирование движения транспортных потоков : дис. … канд. физ.-мат. наук. Ярославль, 2024. 135 с.
3. Суслов С., Каталевский Д. Применение имитационного моделирования при управлении комплексными проектами. URL: https://www.anylogic.ru/resources/books/modelling-and-simulation-in-complex-projectmanagement/ (дата обращения: 20.04.2025).
4. Григорьева Д. Н., Фасхутдинова А. Р. Использование средств имитационного моделирования при оптимизации светофорного регулирования // «Имитационное моделирование. Теория и практика» ИММОД-2023 : сб. тр. одиннадцатой Всероссийской научно-практической конференции по имитационному моделированию и его применению в науке и промышленности, 18–20 октября 2023 г. г. Казань / под науч. ред. В. В. Девяткова. Казань : Изд-во АН РТ, 2023. С. 591–598.
5. Примеры проектов. URL: https://ptv-traffic.com/projects/ (дата обращения: 20.04.2025).
6. ГОСТ Р 70716-2023. Национальный стандарт Российской Федерации. Дороги автомобильные и улицы. Безопасность движения пешеходов. Общие требования. М. : Российский институт стандартизации, 2023. 42 с.
7. Белов В. В., Лопатин А. К. Оригинальная свертка двух критериев для задачи выбора лучшего варианта // Современные наукоемкие технологии. 2019. № 8. С. 14–19. https://doi.org/10.17513/snt.37623.
8. Ногин В. Д. Линейная свертка критериев в много-критериальной оптимизации // Искусственный интеллект и принятие решений. 2014. № 4. С. 73–82.
Об авторах
Л. Ю. ЗапеваловаРоссия
кандидат технических наук, доцент
С. И. Валуев
Россия
специалист
А. В. Запевалов
Россия
кандидат технических наук, доцент
Рецензия
Для цитирования:
Запевалова Л.Ю., Валуев С.И., Запевалов А.В. Имитационное моделирование в задачах реорганизации и анализа дорожного движения. Вестник кибернетики. 2025;24(3):34-43. https://doi.org/0009-0007-1313-8913
For citation:
Zapevalova L.Yu., Valuev S.I., Zapevalov A.V. Simulation modeling in traffic reorganization and analysis. Proceedings in Cybernetics. 2025;24(3):34-43. (In Russ.) https://doi.org/0009-0007-1313-8913







